W 250x38.5 W Profile steel

Share:

Product : H section steel, H beam steel, W shape steel, W Profile

Standard: ASTM A6/A6M

Grade: Grade: A36, A572 Grade 50, A572 Grade 60, A992

Type : W 250x38.5 , W 10x26

Size:262x147x11.2x6.6mm, 10.33inx5.77inx0.44inx0.26in

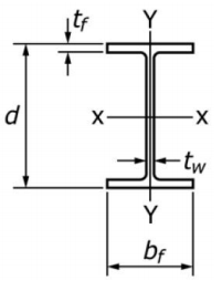
Specification in mm: Height d 262mm, width bf 147mm, web thickness S/tw 11.2mm, flange thickness 1t/tf 6.6mm

Specification in inch: Height d 10.33in, width bf 5.77in, web thickness S/tw 0.44in, flange thickness t/tf 0.26in

Sectional area:4910 mm2, 7.61in2

Unit weight(mass): 38.5kgs/M, 26Lbs/ft

Length: 12M or customized

Min order quantity: 1 piece

If necessary, please leave your message, we will contact you as soon as possible, thank you!

Name:
Email:
Tel:
Message: